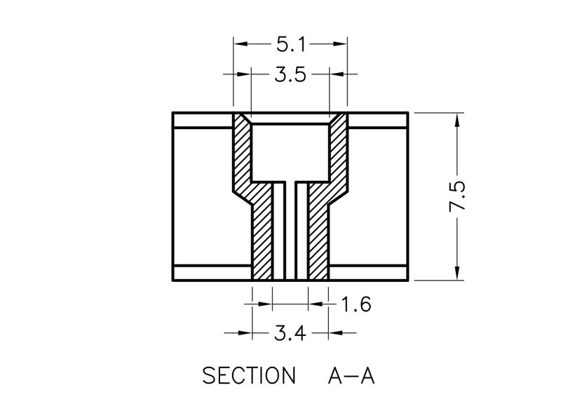
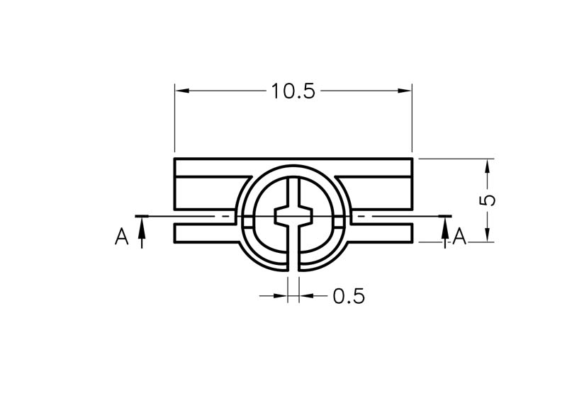
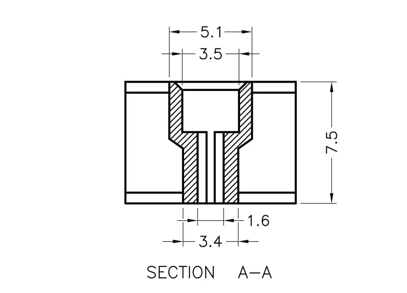
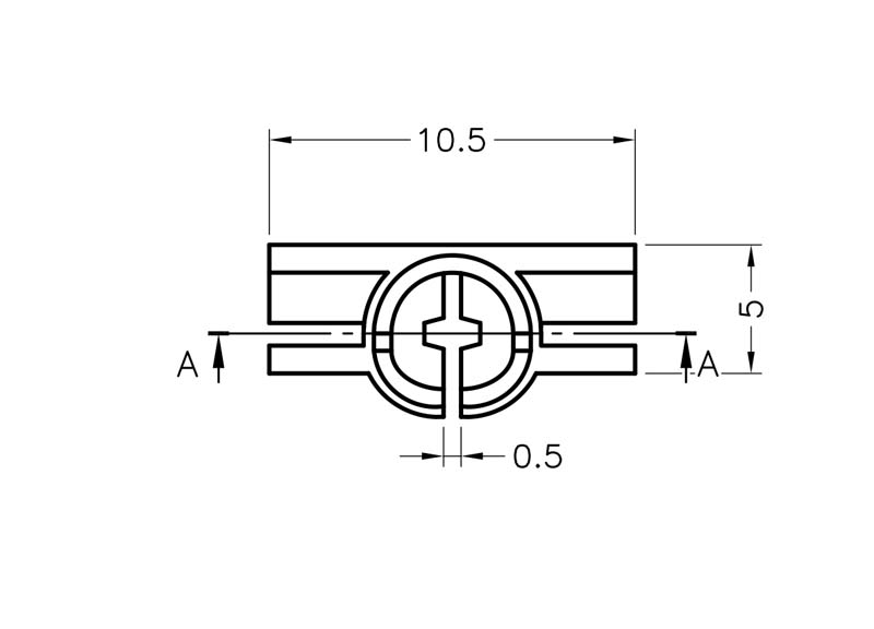
Rectangular Spacer for 3 leads Power Transistors. Height 7.5mm. Material Nylon 66 or PBT(UL). Color Natural/Black. This mount is ideal for insulating and protecting the lead wires of power MOSFETs, IGBTs and diodes.
TRO-7.5
Transistor Spacer
Nylon 66, PBT
94V-2, 94V-0
Black, Natural
| Part no. | Material | Color | A T | B L | C W | Package |
|---|---|---|---|---|---|---|
| TRO-7.5 | Nylon 66 | Black | 7.5 | 10.5 | 5 | 1000 |
Would you like a sample or a quote? Or do you need a product that doesn’t exist? Contact us through one of the options below!
Subscribe to our newsletter and stay up to date with our latest developments.
To optimize our website and provide you with the best experience, we use cookies to store and process certain data. Your consent helps us understand browsing behavior and improve functionality. Not consenting or withdrawing consent, may adversely affect certain features and functions.