Search our 10.000+ products database:

Unable to find what you’re looking for? Call us at +1 (847) 258-3339

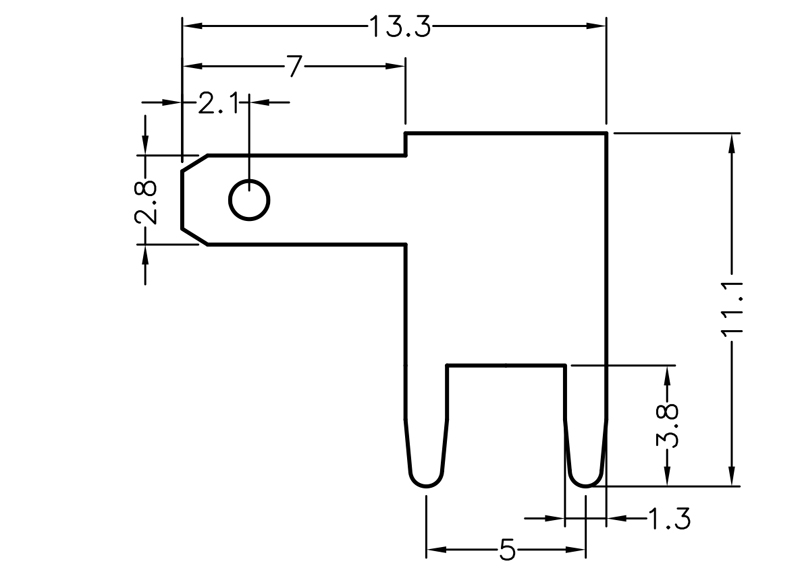
Angled THM Spade Terminal

Through Hole Mount Right Angle PCB Male Spade Terminal. Tab size 2.8×0.8mm (.110″). Current rating 15A. Material Tin Plated Brass.

Part no.

PCF1108

Type

Angled THM Spade Terminal

Material

Tin Plated Brass

Flammability class

Color

Download 2D product drawing (PDF)

Download

Download 3D product drawing (CAD)

Please contact us

Our Services

Would you like a sample or a quote? Or do you need a product that doesn’t exist? Contact us through one of the options below!

Newsletter

Subscribe to our newsletter and stay up to date with our latest developments.

Newsletter subscription
Sending