Search our 10.000+ products database:

Unable to find what you’re looking for? Call us at +1 (847) 258-3339

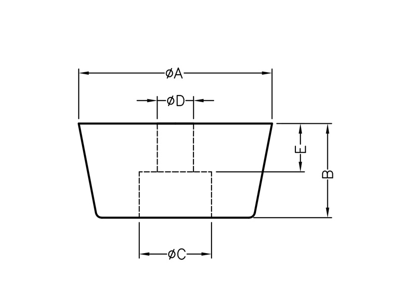
Screw Mount Foot

Screw On Feet PE Ø14.8×17.0mm. Screw Mount for Mounting hole Ø3.0mm.

Part no.

NF-001

Type

Screw Mount Foot

Material

PE

Flammability class

Color

Black

Download 2D product drawing (PDF)

Download

Download 3D product drawing (CAD)

Please contact us

Our Services

Would you like a sample or a quote? Or do you need a product that doesn’t exist? Contact us through one of the options below!

Newsletter

Subscribe to our newsletter and stay up to date with our latest developments.

Newsletter subscription
Sending