Search our 10.000+ products database:

Unable to find what you’re looking for? Call us at +1 (847) 258-3339

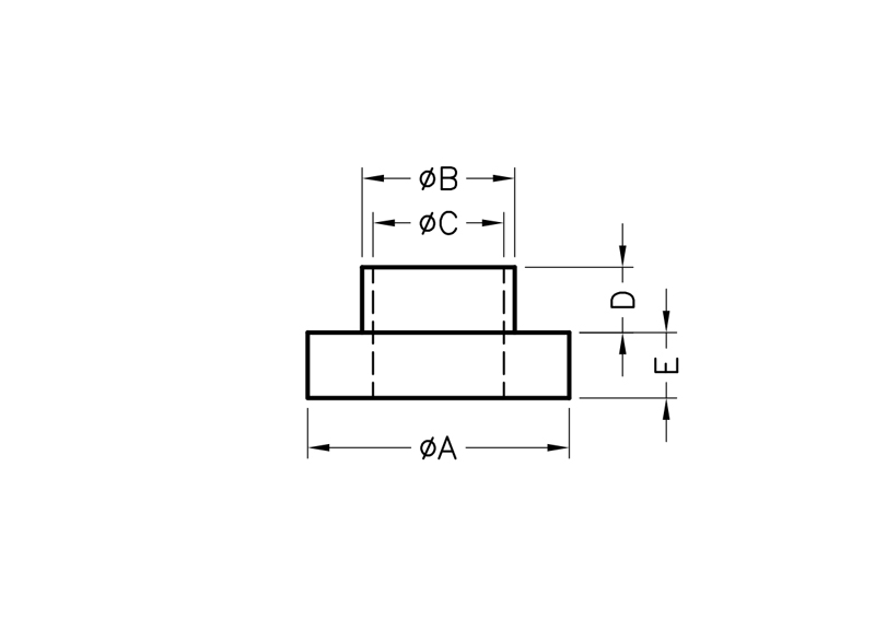
Transistor Washer

Shoulder Washer

Part no.

TW-219

Type

Transistor Washer

Material

POM, N46, N6, N66, PBT, PC, PPS, V-0, V-2

Flammability class

Color

Black, Natural

Download 3D product drawing (CAD)

Please contact us

Our Services

Would you like a sample or a quote? Or do you need a product that doesn’t exist? Contact us through one of the options below!

Newsletter

Subscribe to our newsletter and stay up to date with our latest developments.

Newsletter subscription
Sending