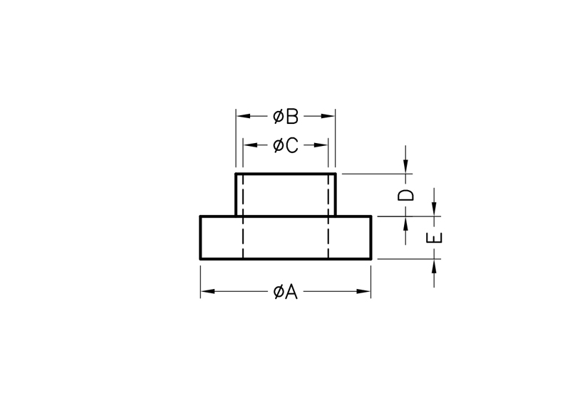
Shoulder washer or Screw Insulator Nylon 66 (ØAxØBxØCxDxE) 6.0×3.8×3.2×1.1×2.9mm. Color Natural/Black. Can also be used as a sleeve bearing. Different material and Flame Rating options available
TW-182
Transistor Washer
POM, N46 V-0, N6 V-2, N66 V-0, N66 V-2, PBT, PC V-0, PC V-2, PPS
Black, Natural
| Part no. | Material | Color | A B | B D | C C | D A | Package |
|---|---|---|---|---|---|---|---|
| TW-182 | POM | Black | 3.8 | 1.1 | 3.2 | 13 | 2000 |
Would you like a sample or a quote? Or do you need a product that doesn’t exist? Contact us through one of the options below!
Subscribe to our newsletter and stay up to date with our latest developments.
To optimize our website and provide you with the best experience, we use cookies to store and process certain data. Your consent helps us understand browsing behavior and improve functionality. Not consenting or withdrawing consent, may adversely affect certain features and functions.