Search our 10.000+ products database:

Unable to find what you’re looking for? Call us at +1 (847) 258-3339

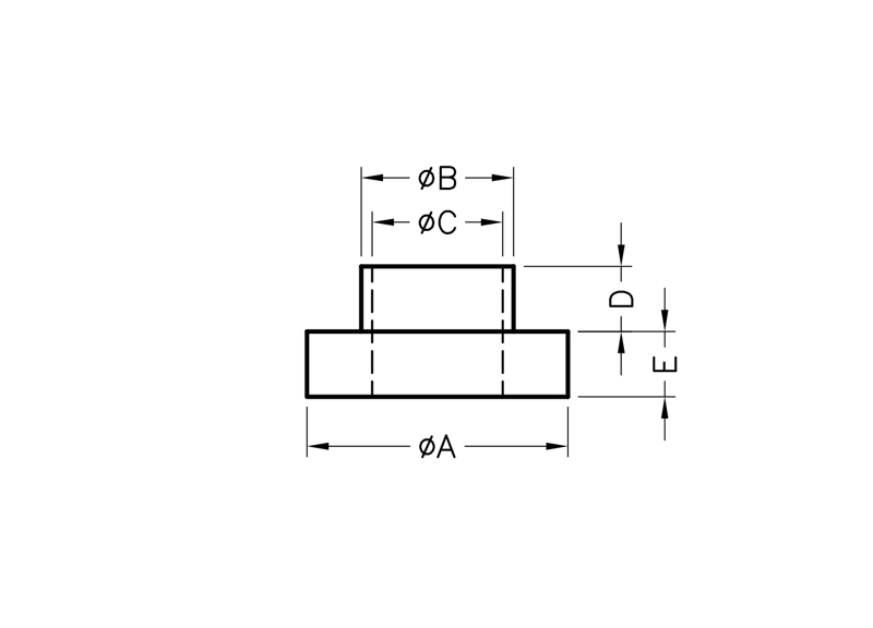
Transistor Washer

Shoulder washer or Screw Insulator Nylon 66 (ØAxØBxØCxDxE) 14.0×8.1×3.1×1.8×2.5mm. Color Natural/Black. Can also be used as a sleeve bearing. Different material and Flame Rating options available

Part no.

TW-146

Type

Transistor Washer

Material

POM, N46 V-0, N6 V-2, N66 V-0, N66 V-2, PBT, PC V-0, PC V-2, PPS

Flammability class

Color

Black, Natural

Download 2D product drawing (PDF)

Download

Download 3D product drawing (CAD)

Please contact us

Our Services

Would you like a sample or a quote? Or do you need a product that doesn’t exist? Contact us through one of the options below!

Newsletter

Subscribe to our newsletter and stay up to date with our latest developments.

Newsletter subscription
Sending