Stainless Steel Heatsink Mount Transistor Retaining Clip.This clip securely fastens components to heatsinks, optimising heat dissipation and improving performance and lifespan of electronic devices.
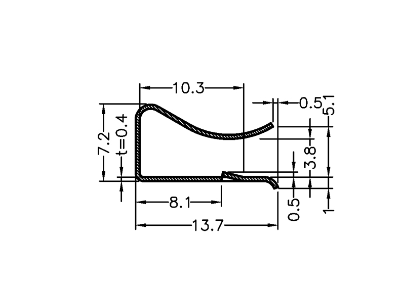
TRMC-6
Transistor Clamp
SUS
| Part no. | Material | Color | A T | B L | C W | Package |
|---|---|---|---|---|---|---|
| TRMC-6 | SUS | 13.7 | 10 | 1000 |
Would you like a sample or a quote? Or do you need a product that doesn’t exist? Contact us through one of the options below!
Subscribe to our newsletter and stay up to date with our latest developments.
To optimize our website and provide you with the best experience, we use cookies to store and process certain data. Your consent helps us understand browsing behavior and improve functionality. Not consenting or withdrawing consent, may adversely affect certain features and functions.