Search our 10.000+ products database:

Unable to find what you’re looking for? Call us at +1 (847) 258-3339

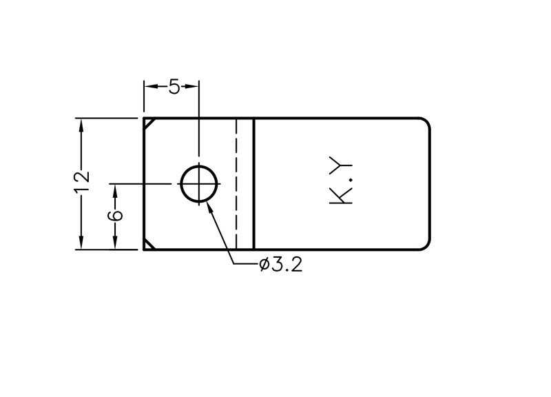
Transistor Clamp

Zinc Plated Steel Heatsink Transistor Screw Mount Clip with 3.2mm hole size.This clip securely fastens Power Transistors to heatsinks, optimising heat dissipation and improving performance and lifespan of electronic devices.

Part no.

TRK-1

Type

Transistor Clamp

Material

Zinc Plated Steel

Flammability class

Color

Download 2D product drawing (PDF)

Download

Download 3D product drawing (CAD)

Please contact us

Our Services

Would you like a sample or a quote? Or do you need a product that doesn’t exist? Contact us through one of the options below!

Newsletter

Subscribe to our newsletter and stay up to date with our latest developments.

Newsletter subscription
Sending