Search our 10.000+ products database:

Unable to find what you’re looking for? Call us at +1 (847) 258-3339

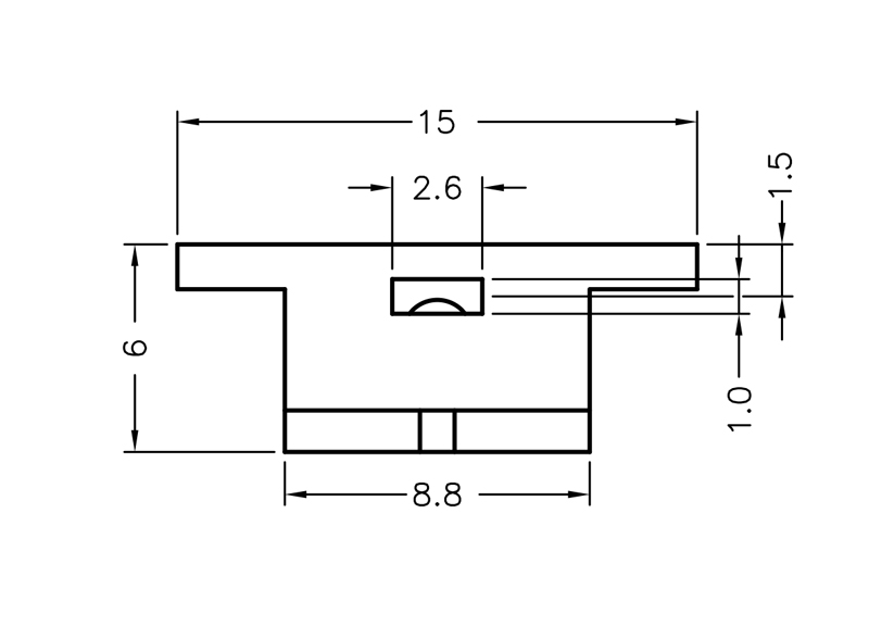
Transistor Spacer

Rectangular Spacer for 3 leads Power Transistors. Height 6.8mm. Material PBT. Color Natural. This mount is ideal for insulating and protecting the lead wires of power MOSFETs, IGBTs and diodes.

Part no.

TR-8

Type

Transistor Spacer

Material

PBT

Flammability class

94V-0

Color

Black

Download 2D product drawing (PDF)

Download

Download 3D product drawing (CAD)

Please contact us

Our Services

Would you like a sample or a quote? Or do you need a product that doesn’t exist? Contact us through one of the options below!

Newsletter

Subscribe to our newsletter and stay up to date with our latest developments.

Newsletter subscription
Sending