Search our 10.000+ products database:

Unable to find what you’re looking for? Call us at +1 (847) 258-3339

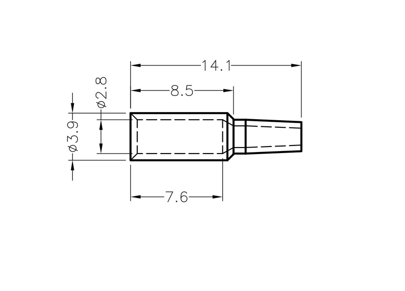
Cable Bushing

Sleeved Silicon Rubber Cable Grommet. For wires up to Ø60.9mm. The additional length supports the cables and prevents a tight bend which may strain the cables

Part no.

TF-395

Type

Cable Bushing

Material

Silicone Rubber

Flammability class

Color

Black

Download 2D product drawing (PDF)

Download

Download 3D product drawing (CAD)

Please contact us

Our Services

Would you like a sample or a quote? Or do you need a product that doesn’t exist? Contact us through one of the options below!

Newsletter

Subscribe to our newsletter and stay up to date with our latest developments.

Newsletter subscription
Sending