Search our 10.000+ products database:

Unable to find what you’re looking for? Call us at +1 (847) 258-3339

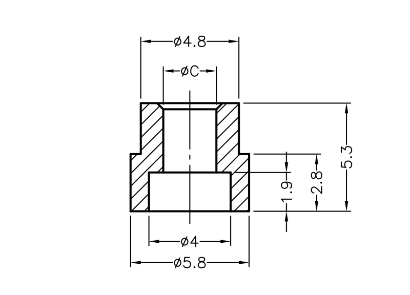
LED Holder

Silicone Rubbber Panel Front Mount LED cover for 3mm (T-1) LED. Height 5.3mm. Color Black

Part no.

TF-263

Type

LED Holder

Material

Silicone Rubber

Flammability class

94HB

Color

Black

Download 2D product drawing (PDF)

Download

Download 3D product drawing (CAD)

Please contact us

Our Services

Would you like a sample or a quote? Or do you need a product that doesn’t exist? Contact us through one of the options below!

Newsletter

Subscribe to our newsletter and stay up to date with our latest developments.

Newsletter subscription
Sending