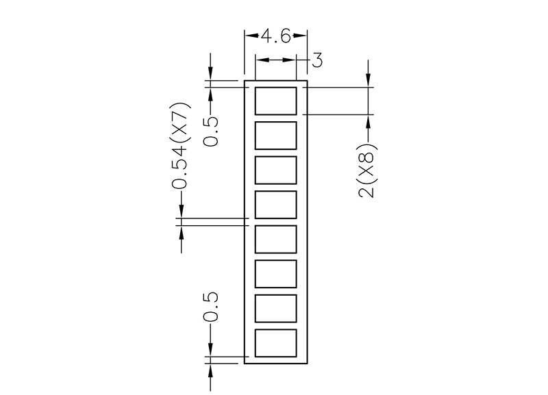
Right Angled 8 stack LED mount for Rectangular LED 3x2mm. Distance between LED’s 0.54mm. LED’s shown for Demo not included in holder
TF-1298
LED Assembly Mount
Silicone Rubber
Black
| Part no. | Material | Color | A A | Package |
|---|---|---|---|---|
| TF-1298 | Silicone Rubber | Black | 2.7 | 1000 |
Would you like a sample or a quote? Or do you need a product that doesn’t exist? Contact us through one of the options below!
Subscribe to our newsletter and stay up to date with our latest developments.
To optimize our website and provide you with the best experience, we use cookies to store and process certain data. Your consent helps us understand browsing behavior and improve functionality. Not consenting or withdrawing consent, may adversely affect certain features and functions.