Search our 10.000+ products database:

Unable to find what you’re looking for? Call us at +1 (847) 258-3339

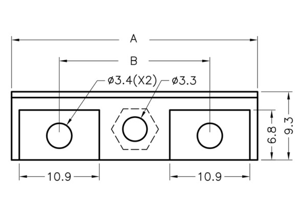
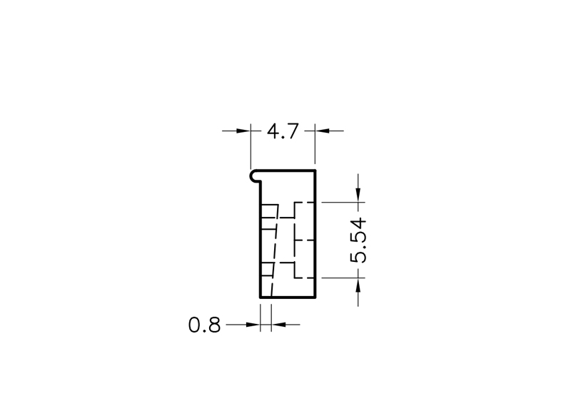
Heat Sink Cover

Dual Transistor Cover Screw Mount for TO-220 package. Material Nylon 66 or PBT (UL). Color Natural. Ensures proper mounting of the TO-220 on a heat sink while providing electrical isolation to prevent high-voltage arcing and maintain performance at elevated temperatures.

Part no.

TC-53

Type

Heat Sink Cover

Material

PBT

Flammability class

94V-0

Color

Natural

Download 2D product drawing (PDF)

Download

Download 3D product drawing (CAD)

Please contact us

Our Services

Would you like a sample or a quote? Or do you need a product that doesn’t exist? Contact us through one of the options below!

Newsletter

Subscribe to our newsletter and stay up to date with our latest developments.

Newsletter subscription
Sending