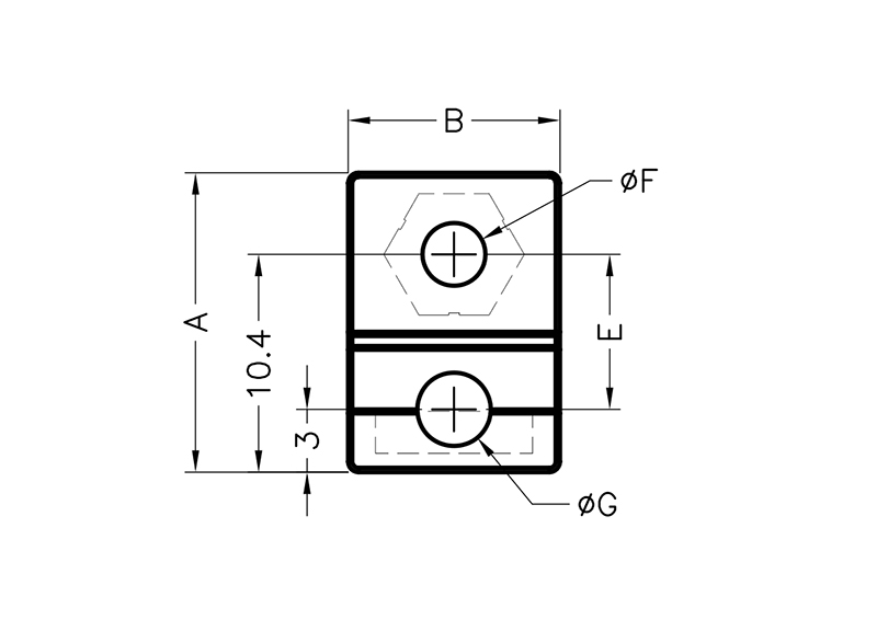
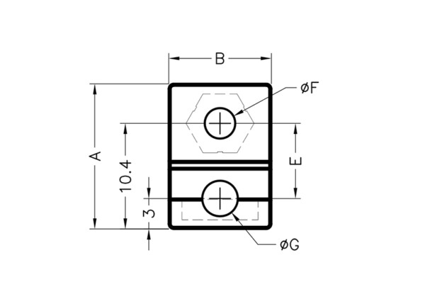
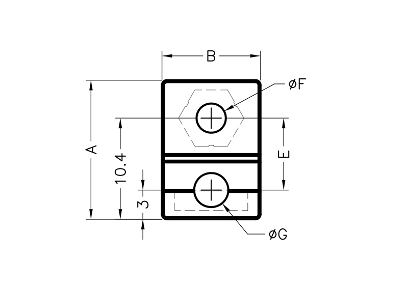
Dual Transistor Cover Screw Mount for TO-220 package. Material Nylon 66 or PBT (UL). Color Natural. Ensures proper mounting of the TO-220 on a heat sink while providing electrical isolation to prevent high-voltage arcing and maintain performance at elevated temperatures.
TC-50
Heat Sink Cover
PBT
94V-0
Natural
| Part no. | Material | Color | A ∅F | B A | C B | D C | E ∅G | Package |
|---|---|---|---|---|---|---|---|---|
| TC-50 | PBT | Natural | 14.3 | 10.1 | 3.6 | 3.5 | 1000 |
Would you like a sample or a quote? Or do you need a product that doesn’t exist? Contact us through one of the options below!
Subscribe to our newsletter and stay up to date with our latest developments.
To optimize our website and provide you with the best experience, we use cookies to store and process certain data. Your consent helps us understand browsing behavior and improve functionality. Not consenting or withdrawing consent, may adversely affect certain features and functions.