Search our 10.000+ products database:

Unable to find what you’re looking for? Call us at +1 (847) 258-3339

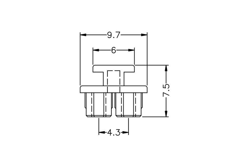
Molex Minifit Connector Cover

Molex PWIC-8 Minifit Connector Port Cover w/Handle. Material Polyepropylene. Color Black. Blindplug with Pull Tab.

Part no.

PWIC-8

Type

Molex Minifit Connector Cover

Material

PP

Flammability class

Color

Black

Download 2D product drawing (PDF)

Download

Download 3D product drawing (CAD)

Please contact us

Our Services

Would you like a sample or a quote? Or do you need a product that doesn’t exist? Contact us through one of the options below!

Newsletter

Subscribe to our newsletter and stay up to date with our latest developments.

Newsletter subscription
Sending