Search our 10.000+ products database:

Unable to find what you’re looking for? Call us at +1 (847) 258-3339

Temperature Sensor Housing

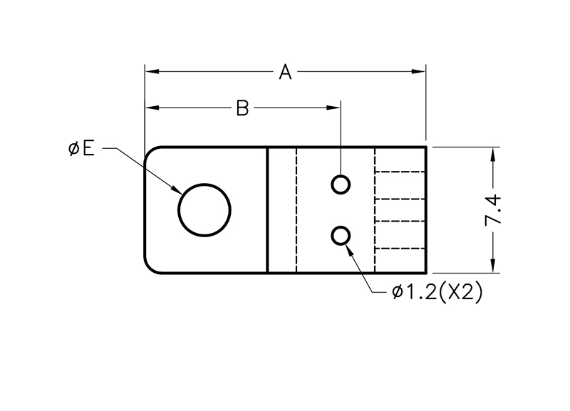
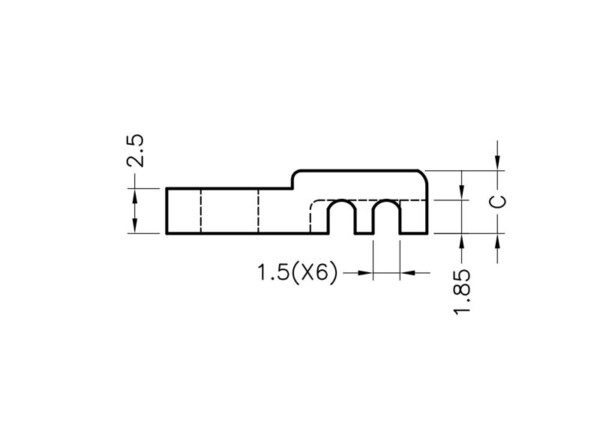
Thermistor Screw Mount Housing. Screw hole dia. 3.1mm. Material PBT. Color Natural. Flame Class UL-94V0. Used to mount a Thermal Resistor.

Part no.

PH-2

Type

Temperature Sensor Housing

Material

PBT

Flammability class

94V-0

Color

Natural

Download 2D product drawing (PDF)

Download

Download 3D product drawing (CAD)

Please contact us

Our Services

Would you like a sample or a quote? Or do you need a product that doesn’t exist? Contact us through one of the options below!

Newsletter

Subscribe to our newsletter and stay up to date with our latest developments.

Newsletter subscription
Sending