Search our 10.000+ products database:

Unable to find what you’re looking for? Call us at +1 (847) 258-3339

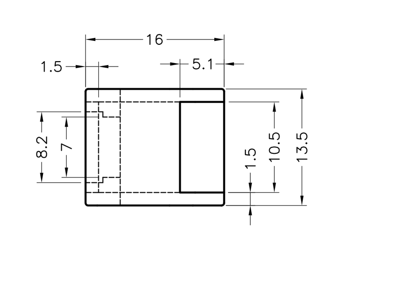
Terminal Housing

Power Socket Cover Self Adhesive. Material Polycarbonate (PC). Color Natural

Part no.

PCTT-3

Type

Terminal Housing

Material

PC

Flammability class

94V-2

Color

Natural

Download 2D product drawing (PDF)

Download

Download 3D product drawing (CAD)

Please contact us

Our Services

Would you like a sample or a quote? Or do you need a product that doesn’t exist? Contact us through one of the options below!

Newsletter

Subscribe to our newsletter and stay up to date with our latest developments.

Newsletter subscription
Sending