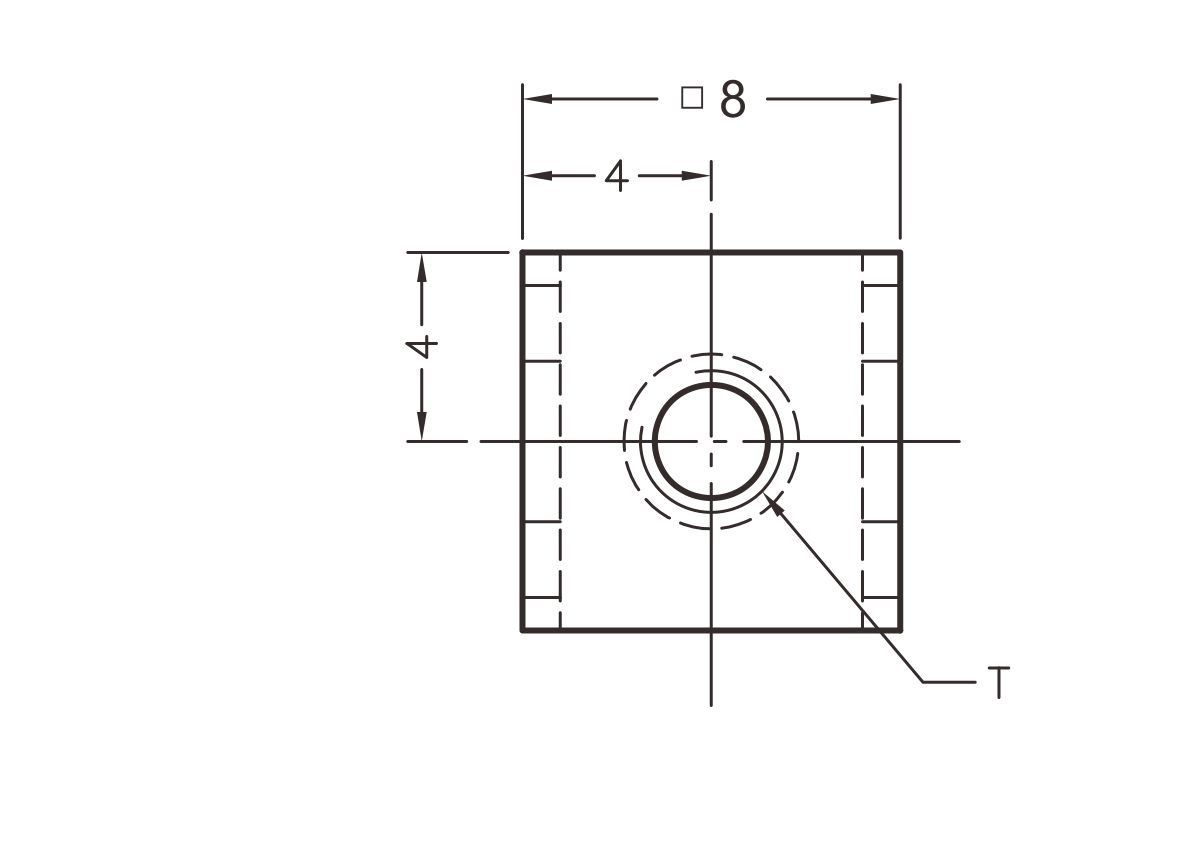
Top Entry or Vertical M3 Screw Terminal for use with solid or stranded wire, crimp terminals, or lugs. Through Hole Mounting (THM) Current Rating 15 Amps. Made of Brass with Tin Plate. The compact design allows flexible placement in high-density wiring applications. Screw not included.
PCB-9-1
Top THM Terminal
Tin Plated Brass
| Part no. | Material | Color | Package |
|---|---|---|---|
| PCB-9-1 | Tin Plated Brass | 1000 | |
| PCB-9-1(632) | Tin Plated Brass | 1000 | |
| PCB-9-1(M4) | Tin Plated Brass | 1000 |
Would you like a sample or a quote? Or do you need a product that doesn’t exist? Contact us through one of the options below!
Subscribe to our newsletter and stay up to date with our latest developments.
To optimize our website and provide you with the best experience, we use cookies to store and process certain data. Your consent helps us understand browsing behavior and improve functionality. Not consenting or withdrawing consent, may adversely affect certain features and functions.