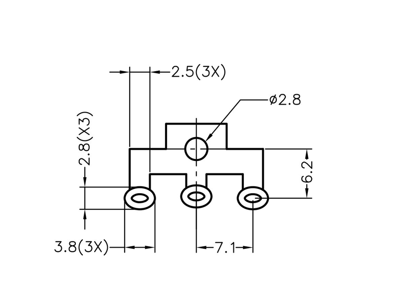
Press-Fit Vertical PCB Mount Light Pipe suitable for SMD LED’s. Round Oval Lens. Length 12.6mm. Material Transparent Polycarbonate.This Light guide is held in place via two press-in lugs
LEM-28
Angled Lightpipe
PC
94V-2, 94V-0
Transparent
| Part no. | Material | Color | A L | Package |
|---|---|---|---|---|
| LEM-28 | PC | Transparent | 8.1 | 500 |
Would you like a sample or a quote? Or do you need a product that doesn’t exist? Contact us through one of the options below!
Subscribe to our newsletter and stay up to date with our latest developments.
To optimize our website and provide you with the best experience, we use cookies to store and process certain data. Your consent helps us understand browsing behavior and improve functionality. Not consenting or withdrawing consent, may adversely affect certain features and functions.