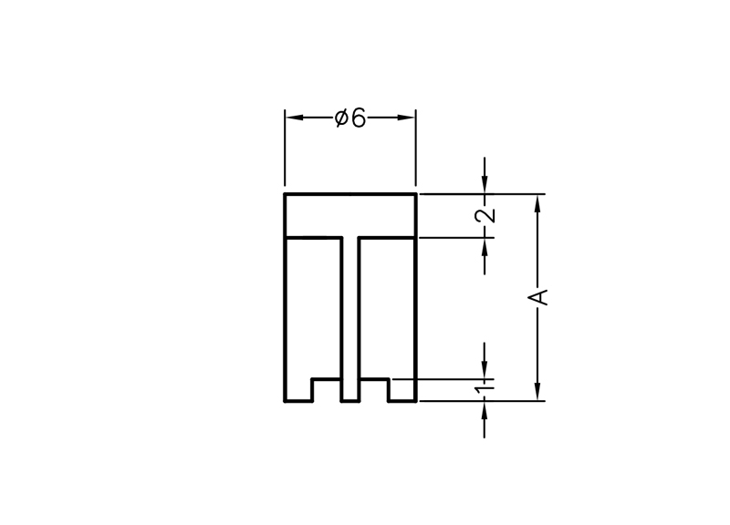
LED Spacer Mount. Height 9.5mm . Nylon 66. Available in Natural and Black. Small bosses elevate the mount for heat and solder cleaning. Nylon 46. Color Black
LEDXV-9.5
LED Spacer
Nylon 66
94V-2, 94V-0
Black, Natural
| Part no. | Material | Color | A A | B Pitch | C Lead | D LED | Package |
|---|---|---|---|---|---|---|---|
| LEDXV-9.5 | Nylon 66 | Black | 9.5 | 2 | 2000 | ||
| LEDXV-4.8 | Nylon 66 | Black | 4.8 | 2 | 2000 | ||
| LEDXV-6.5 | Nylon 66 | Black | 6.5 | 2 | 2000 | ||
| LEDXV-12.7 | Nylon 66 | Black | 12.7 | 2 | 2000 | ||
| LEDXV-19.1 | Nylon 66 | Black | 19.1 | 2 | 2000 | ||
| LEDXV-25.4 | Nylon 66 | Black | 25.4 | 2 | 2000 |
Would you like a sample or a quote? Or do you need a product that doesn’t exist? Contact us through one of the options below!
Subscribe to our newsletter and stay up to date with our latest developments.
To optimize our website and provide you with the best experience, we use cookies to store and process certain data. Your consent helps us understand browsing behavior and improve functionality. Not consenting or withdrawing consent, may adversely affect certain features and functions.