Search our 10.000+ products database:

Unable to find what you’re looking for? Call us at +1 (847) 258-3339

LED Spacer

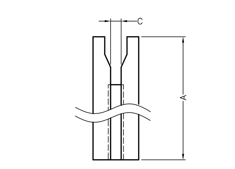
Tri-Lead Squared LED Spacer Mount. The design keeps the 3 leads seperated from each other. Length 13.0mm. Nylon 66. Available in Natural and Black

Part no.

LED3X13

Type

LED Spacer

Material

Nylon 66

Flammability class

94V-2, 94V-0

Color

Black, Natural

Download 2D product drawing (PDF)

Download

Download 3D product drawing (CAD)

Please contact us

Our Services

Would you like a sample or a quote? Or do you need a product that doesn’t exist? Contact us through one of the options below!

Newsletter

Subscribe to our newsletter and stay up to date with our latest developments.

Newsletter subscription
Sending