Search our 10.000+ products database:

Unable to find what you’re looking for? Call us at +1 (847) 258-3339

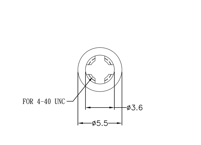
Self Retaining Round Spacer

Nylon retaining spacer similar to non-threaded Spacer, but with a specially configured ID designed to grip the screw shank. This spacer remains attached to the 4-40 UNC screw for a quick and easy assembly. Standoff height is 25.4 mm.

Part no.

KWH440-25.4

Type

Self Retaining Round Spacer

Material

Nylon 66

Flammability class

94V-2, 94V-0

Color

Black, Natural

Download 2D product drawing (PDF)

Download

Download 3D product drawing (CAD)

Please contact us

Our Services

Would you like a sample or a quote? Or do you need a product that doesn’t exist? Contact us through one of the options below!

Newsletter

Subscribe to our newsletter and stay up to date with our latest developments.

Newsletter subscription
Sending