Search our 10.000+ products database:

Unable to find what you’re looking for? Call us at +1 (847) 258-3339

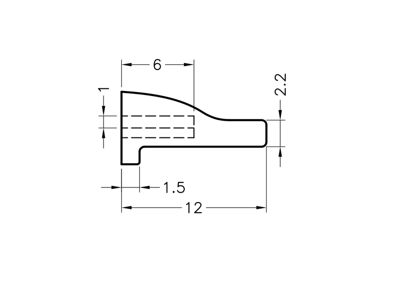
Latch Cap

End cap for lever mechanism release handle. Material Thermoplastic Elastomer (TPE). For Latchsize (WxH) 10.0×1.0mm. Color Black or Orange

Part no.

HANE-38

Type

Latch Cap

Material

Nylon 66

Flammability class

94V-2, 94V-0

Color

Black

Download 2D product drawing (PDF)

Download

Download 3D product drawing (CAD)

Please contact us

Our Services

Would you like a sample or a quote? Or do you need a product that doesn’t exist? Contact us through one of the options below!

Newsletter

Subscribe to our newsletter and stay up to date with our latest developments.

Newsletter subscription
Sending