Search our 10.000+ products database:

Unable to find what you’re looking for? Call us at +1 (847) 258-3339

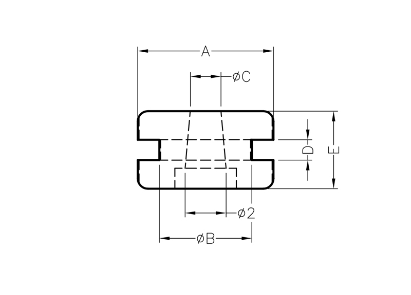
U-Type Edge Grommet

Open Rubber/ Silicone Edge Grommet. Panel Hole dia. Ø4.52mm. Panel Thickness of 1.0mm Suitable for cable size Ø1.5mm. These U-Shaped hole plugs are flared or collared on each side to keep them in place.

Part no.

GM-70

Type

U-Type Edge Grommet

Material

Rubber, Silicone Rubber

Flammability class

Color

Black

Download 2D product drawing (PDF)

Download

Download 3D product drawing (CAD)

Please contact us

Our Services

Would you like a sample or a quote? Or do you need a product that doesn’t exist? Contact us through one of the options below!

Newsletter

Subscribe to our newsletter and stay up to date with our latest developments.

Newsletter subscription
Sending