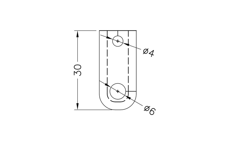
Dual Rubber/ Silicone Open Edge Grommet. Panel Hole dia. Ø8.0mm. Panel Thickness of 1.0mm Suitable for cable size Ø4.0 & 6.0mm. These hole plugs are flared or collared on each side to keep them in place.
GM-140I
U-Type Edge Grommet
Silicone Rubber
Black
| Part no. | Material | Color | A max. T | B E | Package |
|---|---|---|---|---|---|
| GM-140I | Silicone Rubber | Black | 1.6 | 8 | 1000 |
Would you like a sample or a quote? Or do you need a product that doesn’t exist? Contact us through one of the options below!
Subscribe to our newsletter and stay up to date with our latest developments.
To optimize our website and provide you with the best experience, we use cookies to store and process certain data. Your consent helps us understand browsing behavior and improve functionality. Not consenting or withdrawing consent, may adversely affect certain features and functions.