Search our 10.000+ products database:

Unable to find what you’re looking for? Call us at +1 (847) 258-3339

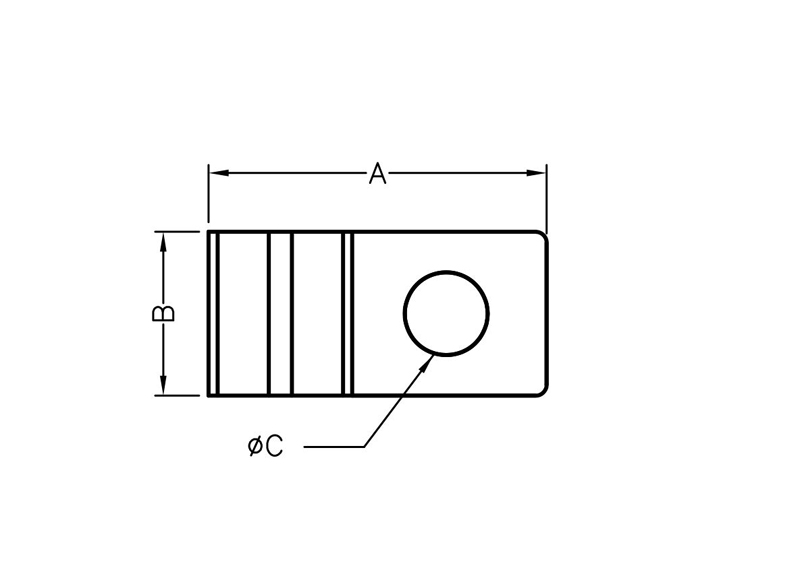
P-Clamp

Screw Mount Wire Harness Clamp Nylon 66 Side Entry. Screw dia. Ø3.2mm. Bundle dia.Ø9.2mm. Clamp Width 10.2mm. Available in Natural or Black.

Part no.

CD-9.2S

Type

P-Clamp

Material

Nylon 66

Flammability class

94V-2, 94V-0

Color

Black, Natural

Download 2D product drawing (PDF)

Download

Download 3D product drawing (CAD)

Please contact us

Our Services

Would you like a sample or a quote? Or do you need a product that doesn’t exist? Contact us through one of the options below!

Newsletter

Subscribe to our newsletter and stay up to date with our latest developments.

Newsletter subscription
Sending