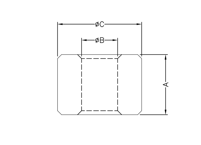
Non-Threaded Round Spacer Nylon 66. (ODxIDxH) 21.0×9.0x15.0mm. Color Natural/Black. These non-conductive plastic spacers prevent metal-to-metal contact and can also serve as a standoff.
9-15
Round Spacer
Nylon 66
94V-2, 94V-0
Black, Natural
| Part no. | Material | Color | A L | B I.D. | C O.D. | Package |
|---|---|---|---|---|---|---|
| 9-15 | Nylon 66 | Black | 15 | 9 | 21 | 1000 |
Would you like a sample or a quote? Or do you need a product that doesn’t exist? Contact us through one of the options below!
Subscribe to our newsletter and stay up to date with our latest developments.
To optimize our website and provide you with the best experience, we use cookies to store and process certain data. Your consent helps us understand browsing behavior and improve functionality. Not consenting or withdrawing consent, may adversely affect certain features and functions.