Search our 10.000+ products database:

Unable to find what you’re looking for? Call us at +1 (847) 258-3339

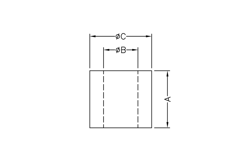
Round Spacer

Nylon 66 non-threaded spacer. Dimension (ODxIDxH) 6.3×3.5×9.0mm. These non-conductive plastic spacers prevent metal-to-metal contact and can also serve as a standoff.

Part no.

3.5-9

Type

Round Spacer

Material

Nylon 66

Flammability class

94V-2, 94V-0

Color

Black, Natural

Download 2D product drawing (PDF)

Download

Download 3D product drawing (CAD)

Please contact us

Our Services

Would you like a sample or a quote? Or do you need a product that doesn’t exist? Contact us through one of the options below!

Newsletter

Subscribe to our newsletter and stay up to date with our latest developments.

Newsletter subscription
Sending